高性能船用閥
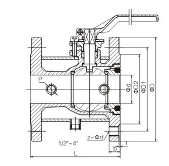
法蘭球閥:不銹鋼、雙相鋼、碳鋼、鈦、鎳等材質 埃尼斯集團生產的罐底球閥,聚多年球閥研發制造經驗:1、閥座采用雙唇密封結構設計,增強密封性能,降低操作扭矩。多種閥座材料,適應范圍廣;2、閥桿防爆結構設計:閥桿為下裝式,防止受壓飛出,同時采用四氟材料導向,減少閥桿摩擦,降低操作扭矩;3、防火防靜電結構設計:可根據客戶要求或使用工況設計成防火防靜電結構;4、三片式結構設計:便于閥門維修。
聯系我們法蘭球閥:不銹鋼、雙相鋼、碳鋼、鈦、鎳等材質 埃尼斯集團生產的罐底球閥,聚多年球閥研發制造經驗:1、閥座采用雙唇密封結構設計,增強密封性能,降低操作扭矩。多種閥座材料,適應范圍廣;2、閥桿防爆結構設計:閥桿為下裝式,防止受壓飛出,同時采用四氟材料導向,減少閥桿摩擦,降低操作扭矩;3、防火防靜電結構設計:可根據客戶要求或使用工況設計成防火防靜電結構;4、三片式結構設計:便于閥門維修。
聯系我們
材質:不銹鋼、雙相鋼、碳鋼、鈦、鎳等
性能規范 Specifications
|
公稱壓力:PN1.6,2.5,4.0,6.4MPa 強度試驗壓力:PT2.4,3.8,6.0,9.6MPa 低壓氣密封試驗壓力:0.6MPa 適用介質: 水、油品、氣 適用溫度:-29~150°C 適用介質: 硝酸類 醋酸類 |
Nominal pressure:PN1.6,2.5,4.0,6.4MPa Strength testing pressure:PT2.4,3.8,6.0,9.6MPa Seat testing pressure(low pressure):0.6MPa Applicsble media: Water.Oil. Gas Applicsble temperature:-29~150°C Applicsble media: Nitric acid Acetic acid |
